15 KiB
Holybro Pixhawk 6X-RT
:::warning PX4 не розробляє цей (або будь-який інший) автопілот. Contact the manufacturer for hardware support or compliance issues. :::
Pixhawk 6X-RT® is the latest update to the successful family of Pixhawk® flight controllers designed and made in collaboration with Holybro®, NXP's mobile robotics team and the PX4 team based on NXP's open source reference design.
It is based on the Pixhawk® Autopilot FMUv6X Standard, Autopilot Bus Standard, and Connector Standard.
Оснащений високопродуктивним процесором NXP i.mx RT1176 dual core, модульним дизайном, потрійним резервуванням, платою IMU з контролем температури, ізольованими доменами сенсорів, що забезпечує неймовірну продуктивність, надійність та гнучкість.
:::tip This autopilot is supported by the PX4 maintenance and test teams. :::
Введення
Всередині Pixhawk® 6X-RT ви можете знайти NXP i.mx RT1176, поєднаний з сенсорною технологією від Bosch®, InvenSense®, що надає вам гнучкість і надійність для керування будь-яким автономним апаратом, придатним як для академічних, так і для комерційних застосувань.
Двоядерний MCU в Pixhawk® 6X-RT i.mx RT1176 Crossover містить ядро Arm® Cortex®-M7 до 1GHz і ядро Arm® Cortex®-M4 до 400MHz, має 2MB SRAM та зовнішню XIP Flash обсягом 64MB. Автопілот PX4 використовує переваги збільшеної потужності та оперативної пам’яті. Завдяки збільшеній потужності обробки розробники можуть бути більш продуктивними та ефективними у своїй роботі з розробкою, що дозволяє використовувати складні алгоритми та моделі.
Відкритий стандарт FMUv6X містить високопродуктивні IMU з низьким рівнем шуму, призначені для кращої стабілізації. Triple redundant IMU & double redundant barometer on separate buses. Коли PX4 виявляє відмову датчика, система плавно перемикатися на інший, щоб забезпечити надійність керування польотом.
Кожен незалежний LDO живить кожен набір сенсорів з незалежним керуванням живленням. Система віброізоляції для фільтрації високочастотної вібрації та зменшення шуму для забезпечення точних показань, що дозволяє транспортним засобам досягати кращих загальних характеристик польоту.
Зовнішня шина датчиків (SPI5) має дві лінії вибору чипів та сигнали готовності даних для додаткових датчиків та корисного навантаження з інтерфейсом SPI, а також з інтегрованим Microchip Ethernet PHY, високошвидкісний обмін даними з комп'ютерами місії через ethernet тепер можливий.
Pixhawk®️sco6X-RT ідеально підходить для розробників корпоративних дослідницьких лабораторій, стартапів, академічних потреб (досліджень, професорів, студентів) та комерційного застосування.
Ключові пункти дизайну
- High performance NXP i.MX RT1170 1GHz Crossover MCU with Arm® Cortex® cores
- Hardware secure element NXP EdgeLock SE051 an extension to the widely trusted EdgeLock SE050 Plug & Trust secure element family, supports applet updates in the field and delivers proven security certified to CC EAL 6+, with AVA_VAN.5 up to the OS level, for strong protection against the most recent attack scenarios. Наприклад, для безпечного зберігання ідентифікатора оператора або сертифікатів.
- Modular flight controller: separated IMU, FMU, and Base system connected by a 100-pin & a 50-pin Pixhawk® Autopilot Bus connector.
- Redundancy: 3x IMU sensors & 2x Barometer sensors on separate buses
- Потрійне резервування доменів: повністю ізольовані сенсорні домени з окремими шинами та окремим керуванням живленням
- Нова система ізоляції вібрацій для фільтрації високочастотних вібрацій та зменшення шуму для забезпечення точних вимірювань
- Інтерфейс Ethernet для високошвидкісної інтеграції комп'ютера місії
- IMUs are temperature-controlled by onboard heating resistors, allowing optimum working temperature of IMUs
Processors & Sensors
- FMU процесор: NXP i.MX RT1176
- 32 Bit Arm® Cortex®-M7, 1GHz
- 32 Bit Arm® Cortex®-M4, 400MHz вторинне ядро
- 64MB зовнішньої флеш пам'яті
- 2MB RAM
- Апаратний захисний елемент NXP EdgeLock SE051
- Сертифіковано згідно з вимогами IEC62443-4-2
- 46 kB користувацької пам'яті з опціями персоналізації до 104 kB
- Сертифіковане рішення Groundbreaking CC EAL6+ для IoT
- AES та 3DES шифрування і дешифрування
- IO Processor: STM32F100
- 32 Bit Arm®️ Cortex®️-M3, 24MHz, 8KB SRAM
- Сенсори на платі
- Accel/Gyro: ICM-20649 або BMI088
- Accel/Gyro: ICM-42688-P
- Accel/Gyro: ICM-42670-P
- Mag: BMM150
- Barometer: 2x BMP388
Електричні дані
- Номінальна напруга:
- Максимальна вхідна напруга: 6 В
- Вхід USB Power: 4.75~5.25V
- Вхід Servo Rail: 0~36V
- Номінальний струм:
TELEM1output current limiter: 1.5A- Комбінований обмежувач вихідного струму всіх інших портів: 1.5A
Механічні характеристики
- Розміри
- Модуль політного контролера: 38.8 x 31.8 x 14.6mm
- Стандартна базова плата: 52.4 x 103.4 x 16.7mm
- Міні базова плата: 43.4 x 72.8 x 14.2 mm
- Вага
- Модуль політного контролера: 23g
- Стандартна базова плата: 51g
- Міні базова плата: 26.5g
Інтерфейси
-
16 PWM виводів сервоприводів
-
R/C вхід для Spektrum / DSM
-
Виділений R/C вхід для PPM та S.Bus входу
-
Спеціалізований аналоговий / PWM вхід RSSI та вивід S.Bus
-
4 загальних послідовних порти
- 3 з повним контролем потоку
- 1 з окремим обмеженням струму 1.5A (Telem1)
- 1 з I2C та додатковою лінією GPIO для зовнішнього NFC зчитувача
-
2 порти GPS
- 1 повний GPS плюс порт запобіжного перемикача
- 1 базовий порт GPS
-
1 I2C порт
-
1 порт Ethernet
- Transformerless Applications
- 100Mbps
-
1 шина SPI
- 2 лінії вибору чіпу
- 2 лінії готових даних
- 1 SPI SYNC лінія
- 1 лінія SPI reset
-
2 CAN шини для CAN периферії
- CAN шина має individual silent controls або ESC RX-MUX control
-
2 порти вводу живлення з SMBus
- 1 AD & IO port
- 2 додаткових аналогових входи
- 1 PWM/Capture вхід
- 2 виділені відладочні та GPIO лінії
-
Інші характеристики:
- Operating & storage temperature: -40 ~ 85°c
Where to Buy
Order from Holybro.
Зборка/інсталяція
The Pixhawk 6X Wiring Quick Start provides instructions on how to assemble required/important peripherals including GPS, Power Module etc.
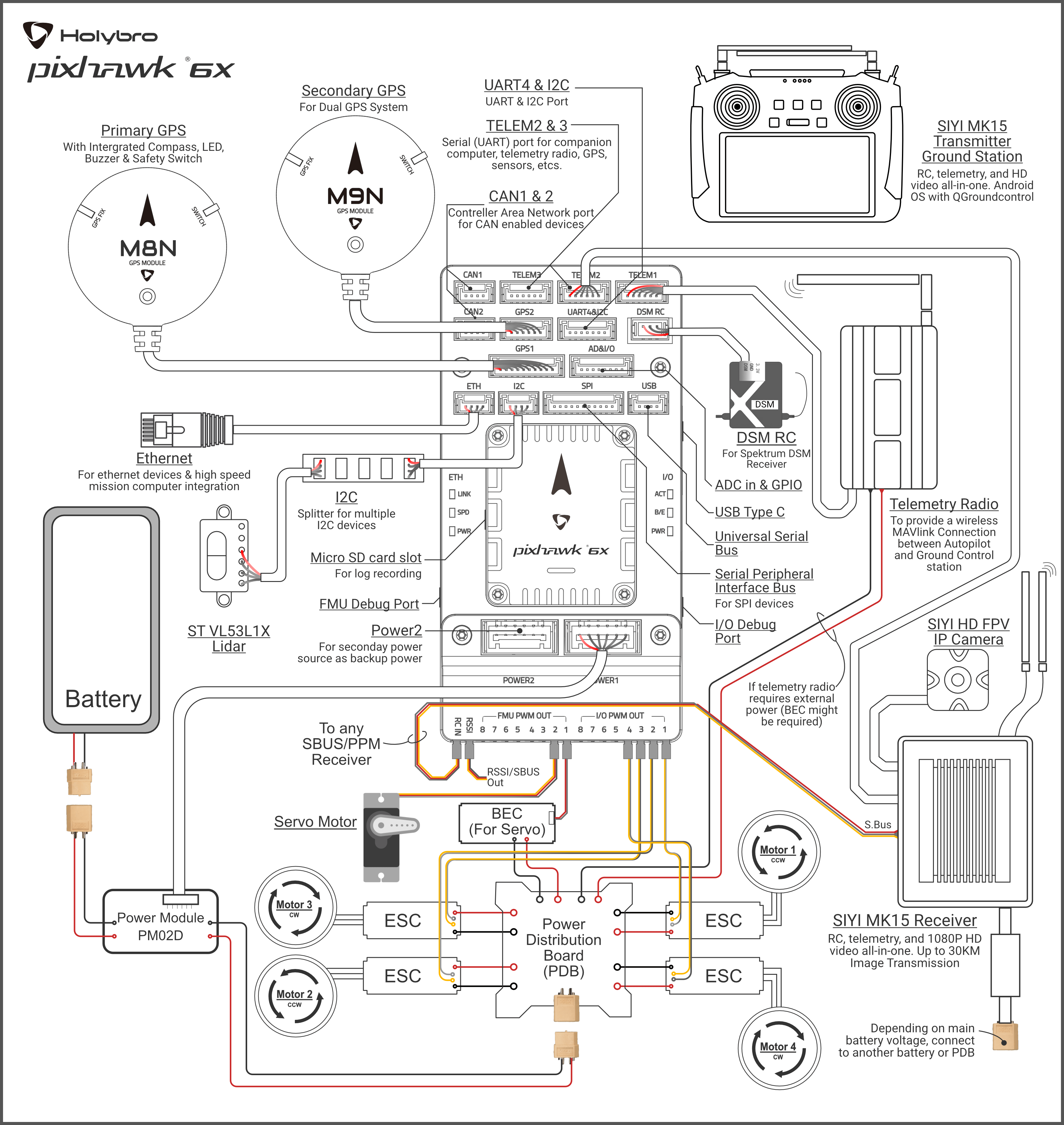
З'єднання
Зразок схеми з'єднань
Схема розташування виводів
Примітки:
- The camera capture pin (
PI0) is pin 2 on the AD&IO port, marked above asFMU_CAP1.
Налаштування послідовного порту
| UART | Пристрій | Порт |
|---|---|---|
| UART1 | /dev/ttyS0 | Debug |
| UART3 | /dev/ttyS1 | GPS |
| UART4 | /dev/ttyS2 | TELEM1 |
| UART5 | /dev/ttyS3 | GPS2 |
| UART6 | /dev/ttyS4 | PX4IO |
| UART8 | /dev/ttyS5 | TELEM2 |
| UART10 | /dev/ttyS6 | TELEM3 |
| UART11 | /dev/ttyS7 | External |
Розміри
Номінальна напруга
Pixhawk 6X-RT can be triple-redundant on the power supply if three power sources are supplied. The three power rails are: POWER1, POWER2 and USB. The POWER1 & POWER2 ports on the Pixhawk 6X uses the 6 circuit 2.00mm Pitch CLIK-Mate Wire-to-Board PCB Receptacle.
Normal Operation Maximum Ratings
За таких умов всі джерела живлення будуть використовуватися в цьому порядку для живлення системи:
- POWER1 and POWER2 inputs (4.9V to 5.5V)
- USB input (4.75V to 5.25V)
Absolute Maximum Ratings
За таких умов система не буде витрачати жодної потужності (не буде працювати), але залишиться неушкодженою.
- POWER1 and POWER2 inputs (operational range 4.1V to 5.7V, 0V to 10V undamaged)
- USB input (operational range 4.1V to 5.7V, 0V to 6V undamaged)
- Servo input: VDD_SERVO pin of FMU PWM OUT and I/O PWM OUT (0V to 42V undamaged)
Voltage monitoring
Digital I2C battery monitoring is enabled by default (see Quickstart > Power).
:::info Analog battery monitoring via an ADC is not supported on this particular board, but may be supported in variations of this flight controller with a different baseboard. :::
Збірка прошивки
:::tip Most users will not need to build this firmware! It is pre-built and automatically installed by QGroundControl when appropriate hardware is connected. :::
To build PX4 for this target:
make px4_fmu-v6xrt_default
Debug Port
The PX4 System Console and SWD interface run on the FMU Debug port.
The pinouts and connector comply with the Pixhawk Debug Full interface defined in the Pixhawk Connector Standard interface (JST SM10B connector).
| Pin | Сигнал | Вольтаж |
|---|---|---|
| 1 (red) | Vtref |
+3.3V |
| 2 (blk) | Console TX (OUT) | +3.3V |
| 3 (blk) | Console RX (IN) | +3.3V |
| 4 (blk) | SWDIO |
+3.3V |
| 5 (blk) | SWCLK |
+3.3V |
| 6 (blk) | SWO |
+3.3V |
| 7 (blk) | NFC GPIO | +3.3V |
| 8 (чорний) | PH11 | +3.3V |
| 9 (чорний) | nRST | +3.3V |
| 10 (чорний) | GND |
GND |
Інформацію про використання цього порту див:
- SWD Debug Port
- PX4 System Console (Note, the FMU console maps to USART3).
Периферійні пристрої
Підтримувані платформи / Конструкції
Будь-який мультикоптер / літак / наземна платформа / човен, який може керуватися звичайними RC сервоприводами або сервоприводами Futaba S-Bus. The complete set of supported configurations can be seen in the Airframes Reference.


